广电数字化的目标不仅仅在于改善图像清晰度、提高图像传输质量、增加节目套数容量,更在于它将达到多媒体综合信息服务的目的,从而为公众提供更多更好的个性化服务,最终满足大众对媒体内容的需求。这其中最关键的问题是对媒体内容资源的管理和利用,包括高清电视节目和动漫节目,而这些对制编设备及存储需求正在不断加大。

在广电媒体行业的数字发展中,存储系统是多个环节中不可或缺的重要组成部分,如:制作网络系统、媒资网络系统、播出网络系统、IPTV制播存、新媒体制播业务、网站构建等使用。存储架构形式多样,既有SAN构架存储,也有NAS构架存储、服务器直连存储等等。其中,中大规模的制作系统、媒资系统和播出系统多采用基于FCSAN的存储系统,具有高性能、高可靠等优势。而制作网络系统现阶段的高清节目画面的清晰度需求,意味着单位时间内需要传输更多的数据量,码率更大,数据传输时占用的带宽更大,相同时长的节目所占用存储容量空间也更大,高清的压力主要是存储系统的带宽压力和容量压力。因此,高清制作网需要选择高效、高传输带宽的新型存储设备和网络传输设备。
从初始到高效满足复杂数字化工作流程的需求,东睿光纤网络管理系统具有:
•针对大型和小型非结构化数据文件的高性能
–通过高效缓存管理和极高的CPU利用率,整个平台上性能最多快十倍,同时支持更多用户和文件。
–小型文件性能提高一倍,扩展了用于管理系统的应用程序,加入更多计算密集型环境,例如财务分析和高性能计算(HPC),在此快速创建并删除小于4K文件的能力必不可少。

•无与伦比的可扩展性
–可扩展性提高五倍,最多可在文件系统中共享五十亿个文件。
–随着数据增长和老化,元数据可扩展到PT规模,并且不会放缓速度。
–根据应用程序和文件尺寸自动调节,提供独立扩展和容量管理的好处。
•满足用户需求的灵活性
–扩展的存储架构,其中包括SSD优化和本地InfiniBand支持,让用户能够利用低延迟应用程序,例如HPC和分析。
–旨在优化多层、近线存储和长期归档环境中使用的先进技术。例如,通过实现昆腾Lattus™对象存储的最大吞吐性能,并为LTFS提供本地支持。超越SAN,为IP(NAS)和HTTP/REST,以及光纤通道(SAN)加入用户和应用程序连接,这种独立于拓扑结构的方法能够以协议全速在此管理系统中传输数据。
•带有长期视图的现代架构
–旨在通过可扩展和微调的基础设施,为不断增加的长期归档保持一致的性能。
–无缝非破坏性软件更新,以及一个用来进行情报报告和管理的框架。
–多核、多处理器和多线程感知最高吞吐量和最低CPU使用率。
东睿光纤存储提供业界最高水平的平台不相关性,支持最广泛的服务器、操作系统和存储供应商选择,并且可使用户轻松地利用下一代技术。

东睿光纤存储使客户能够更快地完成项目,以更低的成本存储更多的数据。东睿光纤存储经过了世界最苛刻的运行环境的检验,设定了高速共享工作流运营和大规模多层归档的标准。它能创建图像、媒体内容、分析数据和其它关键数字资产的共享池,从而支持更快地处理关键文件。即使是在异构环境下,所有主机同样能够直接方便地访问文件,而不必通过缓慢的网络连接传递文件。

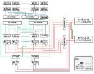
FC光纤SAN+万兆NAS混合存储系统
对于长期数据存储,东睿光纤存储管理系统可把存储池扩展到多层归档,自动在不同的磁盘和磁带资源之间移动数据,从而建立高度可扩展的存储系统,并降低成本。主机始终可以访问数据,但数据的位置是透明的,因而降低了数据访问的复杂性。
和Mac系统的连接是通过Apple为图像、多媒体、广播内容、分析数据集和其它数字资产提供高速共享工作流及高容量的多层归档。
目前,东睿光纤存储管理系统在广电、教育、石油和天然气、高性能计算、IPTV与制造等行业广泛应用,高度的灵活性和可扩展性使它在数据密集环境中的应用尤为突出。
DRstor光纤产品规格
型号12盘位16盘位24盘位
支持硬盘3.5吋、2.5吋
SATA、SAS
SSD3.5吋、2.5吋
SATA、SAS
SSD3.5吋、2.5吋
SATA、SAS
SSD
传输接口光纤光纤光纤
传输速率最佳每秒 16 Gbit最佳每秒 16 Gbit最佳每秒 16 Gbit
RAID设定RAID 0,1,5,6,50,60RAID 0,1,5,6,50,60RAID 0,1,5,6,50,60
LED显示支持支持支持
电源双600W双600W双600W
系统需求MAC OS 10.7 或以上Windows Vista, 7, 8,或 Windows Server 2008、2012MAC OS 10.7 或以上Windows Vista, 7, 8,或 Windows Server 2008、2012MAC OS 10.7 或以上Windows Vista, 7, 8,或 Windows Server 2008、2012