为什么要以800公里为目标呢?因为这个数值是大部分人对汽车续航里程的期望最高值,如果电动车的续航里程不能达到800公里,并且成本能被大多数人接受,那么电动车就少了普及的可能。
所以,我们将这个数值设定为我们Battery 500项目的目标。这个项目从2009年就开始了,由阿尔马登研究中心主导。此后,IBM与来自欧洲、亚洲以及美国的众多商业伙伴、研究院共同进行了这项研究。
Battery 500项目基于金属-空气技术。相比于锂电池,金属-空气电池能够在单位质量内拥有更多的能量。项目研究至今,依然还需要几年的时间才能够商业化。但是通过这七年的实验来看,我们足以认为:未来金属-空气电池在电动车上确有用武之地。
为什么叫金属-空气电池?
以锂-空气电池为例,要搞清楚这个问题,先来看看锂离子电池(即现在常见的锂电池)与锂空气电池的区别。
下图为锂离子电池在充放电时电池内部状态示意。传统锂离子电池中,正极是碳,而负极则是由不同的过渡金属氧化物组成,比如钴、镍、锰等。两个电极都浸泡在溶有锂盐的电解液中。在充放电时,锂离子会从一个电极向另外一个电极移动。移动的方向根据根据电池状态的不同,充电或者放电,而不同。在充放电时,锂离子最终会嵌入到电极材料的原子层,因而最终电池的容量大小取决于有多少材料能够容纳锂离子,即由电极的体积与质量决定。

△锂离子电池充放电过程示意
锂-空气电池有所不同。在金属-空气电池中,发生的是电气化学反应。在放电过程中,含有锂的正极释放出锂离子,锂离子向负极移动,并在负极表面与氧气发生反应,形成过氧化锂(Li2O2)。
锂离子、电子与氧气是在多孔碳形成的负极表面产生反应,因为化学反应并非发生在负极上,最终容纳锂离子的并非是负极材料,因而电池的容量与负极材料的体积或质量并没有太大关系,只要有足够大的表面积即可。
也就是说,锂-空气电池的容量并不是由电极的体积与质量决定,而是电极的表面积。这就是为什么在锂空气电池中,质量很小的电极也能够储存大量的能量,从而得到较高的能量密度。

△锂-空气电池充放电过程示意
当然,除了能量密度之外,成本也是一个很重要的考虑因素。电池的售价目前在200-300美元/千瓦时,如果按每千瓦时能跑5-6公里计算的话,800公里需要一个150千瓦时的电池,就需要3万-4.5万美元。而一辆宝马2系的汽车也只需要3.3万美元。所以,如果想要量产的话,每千瓦时的价格必须下降到100美元以下。
锂-空气电池商业化要解决哪些问题?
单纯来看锂与氧气进行氧化还原反应时,理论上能够产生的最大能量密度是3460Wh/kg。抛开电池单元中不进行化学反应的那部分,最终能够达到的能量密度数值也很让人期待。当然,同样会遇到问题。
锂-空气电池的充电过程与常规锂离子电池类似,只要在外部加压就可以实现。不同的是,锂空气电池中,当有外部电压时,过氧化锂的结构会破坏,还原成氧气与锂离子,锂离子回到正极。锂-空气电池与传统锂电池一样,充放电次数愈多,在电池内部产生的副作用就越大。这些副作用就是影响其量产乃至商业化的根本所在。
为了了解这些副作用对电池带来的影响,我们使用研究中心的电化学质谱仪,去精确测量在每一次充放电循环中,消耗与产生的气体量。结果就发现了一个问题:锂-空气电池在充电过程中释放出的氧气比放电时消耗的氧气要少很多。(在试验中,大多使用干氧而不是空气。)

△IBM研究中心的电化学质谱仪(来源:IBM)
在理想的电池单元中,在放电过程中消耗的氧气与充电过程中释放的氧气质量是相等的。但是研究发现氧气的释放量却变少了,这也就是意味着那些并没有释放的氧气很有可能是与电池单元中的部件进行了反应,比如说融化到电解液之中,电池在发生内部消耗。
在IBM位于苏黎世的另外一个实验室中,我们进行了新的试验,对这种自我破坏的化学反应进行了跟踪和计算机模拟。最后发现原因在于有机电解液上。然后我们针对这个问题进行了研究,在最新的电池单元中,使用了新的电解液之后,充电时,能够释放出放电时吸收的大部分氧气。另外,我们也跟踪了在充放电时氢气与水的消耗与产生量,因为这两种物质的存在意味着在这个电池内部很有可能还存在至少一种自我消耗的化学反应。我们现在的电池单元已经能够达到200次充放电循环,虽然这是让实际的充电过程远远小于理论最大值。
除了这个问题之外,我们对于锂-空气电池的各个组件都有了一些关键性发现:
1.正极
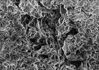
与传统锂离子电池中的由石墨制成的正极不同,锂-空气电池中,含有锂的正极在充电过程中表面会发生一些变化,长出一些类似于苔藓或者树状结构,称之为树突(Dendrite)。这些树突是十分危险的,因为他们能够在正负极之间形成导电回路从而产生短路现象。

△锂-空气电池正极,在数十循环之后,表面产生树突结构
为了减少树突的产生,我们使用了一种比较特殊的隔离膜。这种隔离膜由一层包含很多纳米级小孔的材料组成,这些小孔足够小,并且在膜上均匀分布,能够允许锂离子通过,并且压制树突的产生。因为这套隔离膜的存在,正极能够在几百次充电循环之后,表面仍然保持平滑。而如果使用传统的隔离膜,几次循环之后就会产生树突。如果使用一种含有导电离子的玻璃聚合物,效果会更好一些。

△锂-空气电池正极,使用纳米隔离膜之后,表面保持平滑
2.电解液
目前使用的电解液依然会与氧气或者充放电循环中产生的其他化合物发生反应,从而被消耗。截止到目前为止,我们还没有发现哪种溶剂能够足够稳定,以便于让锂-空气电池能够进入到商业化的阶段。
3.阴极
在充电过程中,锂离子可能与负极发生反应会产生硝酸锂。硝酸锂同样会与电解液发生反应,消耗电解液并产生二氧化碳。我们在试验中,同样跟踪了硝酸锂的产生量,并采取了一些措施减少它的产生。不过,因为要求外加的充电电压必须比电池的工作电压要高出至少700mV以上。过压会降低电池的充电效率。我们曾试过将碳换成其他一些金属氧化物,结果并没有太大变化。
4.催化剂
关于是否要在金属空气电池中使用催化剂,赞成者与反对者已经展开了很多次的辩论。使用催化剂能够明显减少过压情况的出现,但是同样催化剂通常也会加速电解液的消耗。在我们的理论研究中发生,锂的氧化和还原反应中,活化能是很低的,因而,在锂-空气电池中,催化剂并非必须。
5.空气的制备
虽然电池被叫做锂空气电池,但是实际上我们使用的是干氧。强调「干」是因为只需要去掉空气中的水蒸气与二氧化碳的成分即可。而要在商业化的电池中大批量制备这样的空气,那么就需要一套足够轻便高效稳定的空气净化系统。从这个角度考虑,锂-空气电池的实际应用最早可能是在公交车、卡车以及其他一些大型车上,只有这些大型车才能够容纳空气净化设备。
现在用于试验的电池单元尺寸还很小,直径76mm、长13mm,远远不够用在电动车的标准。所以还需要做的一项很重要的工作就是如何制作更大尺寸的电池单元,并将众多电池单元打包封装成一个电池组,再配上一套电池管理系统。我们也在测试一些不同的尺寸,比如100×100mm的(100mm直径,100mm长)。
目前这一项目依然停留在最初的关于材料和化学反应的基础科学阶段,好在得到的研究结果是积极的。在我们的研究中,现在能够达到的能量密度是锂的氧化还原反应15KWh/kg(使用原碳阴极,5700mAh×2.7V/g),到电池单元中的能量密度大概在800Wh/kg。
钠-空气电池:能量密度低,但胜在稳定
金属-空气电池中,能够使用的金属有很多,除了锂之外,还有钠和钾等。这些金属的逆向反应更加容易,而相对来说更重一些的金属,比如镁、铝、锌、铁等已经被证实,很难实现再度充电,所以Battery 500项目最终选择了研究锂和钠两种金属。
钠-空气电池是另外一种很有意思的组合,虽然相比于锂-空气电池来说,可能达到的能量密度更低,但是它的好处在于更加稳定。
之所以能量密度较低,是在于产生的化学反应不同。前面提到在锂-空气电池中,锂与氧气发生反应产生的是过氧化锂(Li2O2),但是钠-空气电池中,钠与氧气反应只使用了一个电子,产生的是超氧化钠NaO2,而不是过氧化钠Na2O2。相比较而言,钠-空气电池能够产生的能量密度从理论上来说就减少了一半,理论的能量密度上限是1100wh/kg。
但从另外一个方面来说,钠-空气电池的充电效率要比锂-空气电池更高,过压相当低,还不到20mV(锂为700mV)。有鉴于此,能够将电池单元的工作电压降低到3V,这样电池内部其他组件的自我消耗能够降低很多,比如说电解液。我们通过实验对其进行了测量,并得到了验证。这样的好处在于电池的稳定性相当高,在50次充放电循环之后,电池的容量几乎没有改变。
钠-空气电池的商用同样存在一些挑战。比如,钠-空气电池在发生反应时消耗掉的氧气是锂-空气电池中的两倍,相当于能够产生同样功率的活塞发动机所需要的空气量。另外,钠金属的化学活性相当高,想必很多人都记得在高中课堂上化学老师做的演示,一小块钠扔进水里,就会发生剧烈的化学反应。
不过,锂是一种稀有金属,而且并不便宜。但是钠却是常见金属,成本极低。相同尺寸的钠-空气电池中材料的成本还不到锂-空气电池中的十分之一。虽然从长远角度考虑,锂-空气 电池将会有更好的性能,但是综合考虑稳定性与成本,比能量同样不低的钠-空气电池将会是从现在的电池到未来的更好选择。